JAG
|
| posted on 26/8/25 at 08:12 AM |
|
|
Strange Alternator Problem
My Alternator seems to be working well - I have 14.5v when the engine's running and 12.8v when the engine is not running.
My issue occurs when the Ignition is ON but the engine's not running - the light on the Dashboard doesn't light up.
Initially I assumed it was because I had recently updated the Dashboard and replaced all of my Warning Lamps with LED.
I replaced the LED I was using for the Charge Warning light with an incandescent lamp (12v 2W) and checked everything else was correct.
12v Ignition Switched supply is there and working. If you earth the Charge Warning lamp via any other method the lamp lights up (so the bulb is also
good)
The 'other' connection on the Charge Warning lamp goes to the Alternator. The plug on the Alternator is in good condition and making the
connection.
Yet the lamp still won't illuminate with Ignition ON but the engine not running
I am confused
My belief is that the power to the Charge Warning lamp is used to initiate charging from the Alternator when the engine is running.
BUT how can there be any power to the Alternator, to initiate charging, if the lamp doesn't illuminate?
BUT the Alternator is obviously charging - hence my confusion.
Can anyone help me?
What have I done wrong?
How do I fix it?
[Edited on 26/8/25 by JAG]
Justin
Who is this super hero? Sarge? ...No.
Rosemary, the telephone operator? ...No.
Penry, the mild-mannered janitor? ...Could be!
|
|
|
|
|
gremlin1234
|
| posted on 26/8/25 at 11:10 AM |
|
|
puzzling
certainly led conversion would cause issues but you have addressed that,
some alternators need two connections in the charge/light circuit. as this wiring diagram shows,
https://triumphspitfire.com/wp-content/uploads/2023/07/MKIVwire.jpg
spitfire mkiv wiring lucas
I believe alternators /can/ start without the charge light trick, but they are much more predicable with it.
what alternator are you using?
can you show pics of the alternator wiring, including unused terminals?
|
|
|
Slimy38
|
| posted on 26/8/25 at 12:36 PM |
|
|
That sounds very similar to mine, in that the one side is 12 volts Ignition switched, with the other going to the alternator. But in your first
sentence you say it's giving 14.5 volts when running and 12.8 when not. If it's got 12 volts one side and 12.8 the other, then it won't
light.
Is there a diode or something in the circuit that is required for the alternator to show zero volts, and therefore allow the bulb to light?
|
|
|
JAG
|
| posted on 26/8/25 at 12:52 PM |
|
|
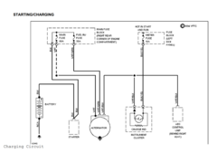
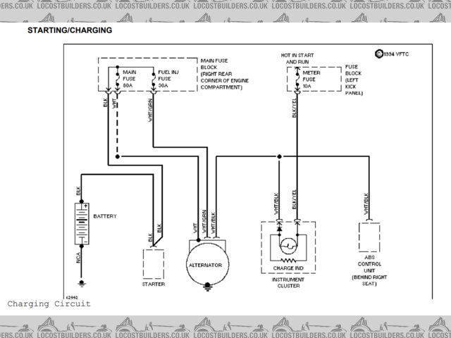
  Alternator connections
This is the circuit.
The enigine is a Mazda MX-5 1.6NA with the standard Alternator. It's running the original ECU and engine management system.
One large wire, attached via a stud on the Alternator, that brings out the charge voltage. Plus a 2 wire plug; one wire goes to a fuse and the second
wire goes to the Charge Warning light.
[Edited on 26/8/25 by JAG]
Justin
Who is this super hero? Sarge? ...No.
Rosemary, the telephone operator? ...No.
Penry, the mild-mannered janitor? ...Could be!
|
|
|
JAG
|
| posted on 26/8/25 at 01:05 PM |
|
|
Looks like this...
Justin
Who is this super hero? Sarge? ...No.
Rosemary, the telephone operator? ...No.
Penry, the mild-mannered janitor? ...Could be!
|
|
|
JAG
|
| posted on 26/8/25 at 01:08 PM |
|
|
quote:
But in your first sentence you say it's giving 14.5 volts when running and 12.8 when not. If it's got 12 volts one side and 12.8 the other,
then it won't light.
Sorry, what I mean is that when the engine is OFF and the Alternator is not turning I have 12.8v at the battery. When I start the engine, and the
Alternator turns, I have 14.5v at the battery. I am using the two voltage readings to suggest that the Alternator is providing charge
Justin
Who is this super hero? Sarge? ...No.
Rosemary, the telephone operator? ...No.
Penry, the mild-mannered janitor? ...Could be!
|
|
|
Slimy38
|
| posted on 26/8/25 at 02:07 PM |
|
|
quote: Originally posted by JAG
  Alternator connections
This is the circuit.
The engine is a Mazda MX-5 1.6NA with the standard Alternator. It's running the original ECU and engine management system.
One large wire, attached via a stud on the Alternator, that brings out the charge voltage. Plus a 2 wire plug; one wire goes to a fuse and the second
wire goes to the Charge Warning light.
[Edited on 26/8/25 by JAG]
In that case you've actually got exactly the same system as me then, and I also understood what you meant about voltages now. I'm also
running the same donor hardware, although I have replaced the battery charging indicator with normal wiring, I seem to have lost my resistor and diode
pack along the way.
Is there any way you can check the voltage of the white/black wire when on and off?
|
|
|
JAG
|
| posted on 26/8/25 at 03:09 PM |
|
|
quote:
Is there any way you can check the voltage of the white/black wire when on and off?
Yes - I think that that is a good idea
I'll update this thread when I have done the check.
Justin
Who is this super hero? Sarge? ...No.
Rosemary, the telephone operator? ...No.
Penry, the mild-mannered janitor? ...Could be!
|
|
|
JAG
|
| posted on 26/8/25 at 06:46 PM |
|
|
OK so I've just measured the voltage on the Black/White wire (the one that connects the Alternator to the Dashboard Warning lamp)
I disconnected the Black/White wire from the lamp and;
1) Engine OFF but Ignition ON - 0v
2) Engine RUNNING - 0v
I checked the Alternator charge voltage while the engine was RUNNING and the Black/White wire was disconnected - 15.6v
I reconnected the Black/White to the lamp and;
3) Engine OFF but Ignition ON - 12.8v (battery voltage)
4) Engine RUNNING - 14.5v (charge voltage)
I checked the Alternator charge voltage while the engine was RUNNING and the Black/White wire was reconnected - 14.5v
This suggests that, even though the lamp is NOT illuminating, the Black/White wire is acting to moderate the Alternator output somehow!
Justin
Who is this super hero? Sarge? ...No.
Rosemary, the telephone operator? ...No.
Penry, the mild-mannered janitor? ...Could be!
|
|
|